Notice
Link
팜테크(FAMTECH)
[Strain Guage]스트레인 게이지 2선식, 3선식 온도 보상(two wire, three wire) 본문
기초이론/내구(Endurance)
[Strain Guage]스트레인 게이지 2선식, 3선식 온도 보상(two wire, three wire)
FAMTECH 2022. 8. 24. 11:29
목차
"관련제품 문의는 로고 클릭 또는 공지사항의 연락처를 통해 하실 수 있습니다."
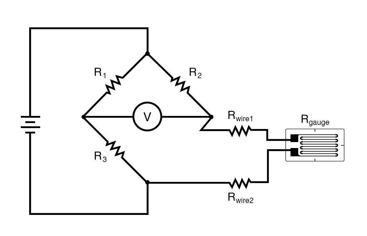
스트레인 게이지 2선식(Two wired Strain Gage)

위 그림은 Quater Bridge 스트레인 회로도 입니다. 그림에 스트레인 게이지는 2개의 선을 통해서 연결하였습니다. 시편 위에 스트레인 게이지를 붙이고 해당 면에서 다른 온도가 가해지면 온도차에 의해서 R(wire1, wire2)와 Rguage는 R2와 다르게 온도에 반응하여 변형률 값의 오차가 발생할 수 있습니다.
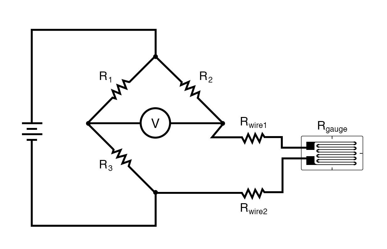
스트레인 게이지 3선식(Three wired Strain Gage)

위 그림과 같이 3선 식으로 연결을 하게 되면 R2+Rwire1과 Rgauge+Rwire2의 비로 계산되고 동일 온도에 영향을 받는 Rwire1, Rwire2는 서로 보상되어 상쇄됩니다. 그러므로 위와 같은 구성으로 회로를 만들면 온도에 대한 영향을 2선식에 비해 덜 받게 됩니다.
'기초이론 > 내구(Endurance)' 카테고리의 다른 글
| [스트레인게이지] Young's Modulus란? Strain을 Stress로 변환 (0) | 2022.09.08 |
|---|---|
| [Strain Guage] 스트레인 게이지 선택 방법(Selection) (0) | 2022.09.07 |
| 스트레인 게이지란? 패턴에 따른 분류(Strain Guage, Gage) (0) | 2022.08.23 |
| Wheatstone Bridge란?(휘트스톤 브릿지, 스트레인게이지, 풀/하프/쿼터 브릿지, Strain) (1) | 2022.07.18 |
| Stress Life (SN) 피로도 분석이란? (Fatigue Damage Analysis) (0) | 2022.07.06 |
Comments


